Our Certificate
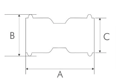
Socket
| Size | A | B | C |
|---|---|---|---|
| 1/2" | 66.50 | 22.00 | 18.0 |
| 3/4" | 74.00 | 30.00 | 25.00 |
| 1" | 78.00 | 36.50 | 31.00 |
| 1-1/4" | 127.50 | 45.50 | 37.50 |
| 1-1/2" | 143.50 | 56.00 | 46.00 |
| 2" | 160.00 | 62.00 | 51.50 |
| 2-1/2" | 157.00 | 76.00 | 64.00 |
| 3" | 170.00 | 109.50 | 94.00 |
EQUAL TEE
| Size | A | B | C | D |
|---|---|---|---|---|
| 1/2" | 90.00 | 36.50 | 22.00 | 18.0 |
| 3/4" | 160.00 | 42.00 | 30.00 | 25.00 |
| 1" | 117.50 | 45.00 | 36.50 | 31.00 |
| 1-1/4" | 165.00 | 63.50 | 45.50 | 37.50 |
| 1-1/2" | 189.00 | 71.50 | 56.00 | 46.00 |
| 2" | 212.00 | 79.00 | 62.00 | 51.50 |
| 2-1/2" | 220.00 | 81.00 | 76.50 | 64.00 |
| 3" | 264.50 | 85.00 | 109.50 | 94.00 |
90* ELBOW
| Size | A | B | C |
|---|---|---|---|
| 1/2" | 66.50 | 22.00 | 18.0 |
| 3/4" | 78.50 | 30.00 | 25.00 |
| 1" | 92.00 | 36.50 | 31.00 |
| 1-1/4" | 123.00 | 45.50 | 37.50 |
| 1-1/2" | 153.00 | 56.00 | 46.00 |
| 2" | 171.00 | 62.00 | 51.50 |
| 2-1/2" | - | 76.50 | 64.00 |
| 3" | - | 109.50 | 94.00 |
MALE ADAPTOR
| Size | A | B | C | D |
|---|---|---|---|---|
| 1/2" | 65.00 | 20.00 | 18.00 | 20.50 |
| 3/4" | 71.00 | 30.00 | 25.00 | 25.50 |
| 1" | 74.50 | 36.50 | 31.00 | 32.50 |
| 1-1/4" | 103.00 | 45.50 | 37.50 | 41.50 |
| 1-1/2" | - | 56.00 | 46.00 | 47.00 |
| 2" | 127.00 | 62.00 | 51.50 | 59.50 |
| 2-1/2" | - | 76.50 | 64.00 | - |
| 3" | - | 109.50 | 94.00 | - |
FEMALE ADAPTOR
| Size | A | B | C |
|---|---|---|---|
| 1/2" | 36.50 | 22.00 | 18.0 |
| 3/4" | 46.50 | 30.00 | 25.00 |
| 1" | 50.00 | 36.50 | 31.00 |
| 1-1/4" | 71.00 | 45.50 | 37.5.00 |
| 1 1/2" | 84.00 | 56.00 | 46.00 |
| 2" | 92.00 | 62.00 | 51.50 |
| 2-1/2" | 114.00 | 76.50 | 64.00 |
| 3" | 118.00 | 109.50 | 94.00 |
UNION
| Size | A | B | C |
|---|---|---|---|
| 1/2" | 118.0 | 20.50 | 15.88 |
| 3/4" | 132.00 | 25.50 | 22.00 |
| 1" | 150.00 | 32.50 | 28.58 |
| 1-1/4" | 157.00 | 41.50 | 34.50 |
| 1-1/2" | 160.00 | 47.00 | 42.70 |
| 2" | - | 59.00 | 48.60 |
| 2-1/2" | - | - | 76.10 |
| 3" | - | - | 88.90 |
SLIP SOCKET
| Size | A | B | C |
|---|---|---|---|
| 1/2" | 66.50 | 22.00 | 18.0 |
| 3/4" | 74.00 | 30.00 | 25.00 |
| 1" | 78.00 | 36.50 | 31.00 |
| 1-1/4" | 127.50 | 45.50 | 37.50 |
| 1-1/2" | 143.50 | 56.00 | 46.00 |
| 2" | 160.00 | 62.00 | 51.50 |
| 2-1/2" | 157.00 | 76.50 | 64.00 |
| 3" | 170.00 | 109.50 | 94.00 |
CAP
| Size | A | B | C |
|---|---|---|---|
| 1/2" | 36.50 | 22.00 | 18.0 |
| 3/4" | 46.50 | 30.00 | 25.00 |
| 1" | 50.00 | 36.50 | 31.00 |
| 1-1/4" | 71.00 | 45.50 | 37.5.00 |
| 1 1/2" | 84.00 | 56.00 | 46.00 |
| 2" | 92.00 | 62.00 | 51.50 |
| 2-1/2" | 114.00 | 76.50 | 64.00 |
| 3" | 118.00 | 109.50 | 94.00 |
MALE TEE
| Size | A | B | C |
|---|---|---|---|
| 1/2" | 118.0 | 20.50 | 15.88 |
| 3/4" | 132.00 | 25.50 | 22.00 |
| 1" | 150.00 | 32.50 | 28.58 |
| 1-1/4" | 157.00 | 41.50 | 34.50 |
| 1-1/2" | 160.00 | 47.00 | 42.70 |
| 2" | - | 59.00 | 48.60 |
| 2-1/2" | - | - | 76.10 |
| 3" | - | - | 88.90 |
FEMALE TEE
| Size | A | B | C | D |
|---|---|---|---|---|
| 1/2" | 90.00 | 36.50 | 22.00 | 18.0 |
| 3/4" | 160.00 | 42.00 | 30.00 | 25.00 |
| 1" | 117.50 | 45.00 | 36.50 | 31.00 |
| 1-1/4" | 165.00 | 63.50 | 45.50 | 37.50 |
| 1-1/2" | 189.00 | 71.50 | 56.00 | 46.00 |
| 2" | 212.00 | 79.00 | 62.00 | 51.50 |
| 2-1/2" | 220.00 | 81.00 | 76.50 | 64.00 |
| 3" | 264.50 | 85.00 | 109.50 | 94.00 |
VALVE CONNECTOR
| Size | A | B | C |
|---|---|---|---|
| 1/2" | 66.50 | 22.00 | 18.0 |
| 3/4" | 78.50 | 30.00 | 25.00 |
| 1" | 92.00 | 36.50 | 31.00 |
| 1-1/4" | 123.00 | 45.50 | 37.50 |
| 1-1/2" | 153.00 | 56.00 | 46.00 |
| 2" | 171.00 | 62.00 | 51.50 |
| 2-1/2" | - | 76.50 | 64.00 |
| 3" | - | 109.50 | 94.00 |
FE SHORT
| Size | A | B | C | D |
|---|---|---|---|---|
| 1/2" | 65.00 | 20.00 | 18.00 | 20.50 |
| 3/4" | 71.00 | 30.00 | 25.00 | 25.50 |
| 1" | 74.50 | 36.50 | 31.00 | 32.50 |
| 1-1/4" | 103.00 | 45.50 | 37.50 | 41.50 |
| 1-1/2" | - | 56.00 | 46.00 | 47.00 |
| 2" | 127.00 | 62.00 | 51.50 | 59.50 |
| 2-1/2" | - | 76.50 | 64.00 | - |
| 3" | - | 109.50 | 94.00 | - |
